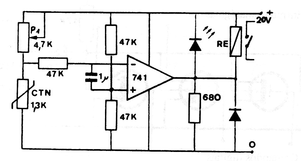
In the figure we have a diagram of a thermostat using an NTC and an operational amplifier 741. The relay used is of the high sensitivity type. For relays that require more than 10 mA, a power step must be used, the trigger point adjustment is made in P1. Voltages according to the relay can be used in the supply.




