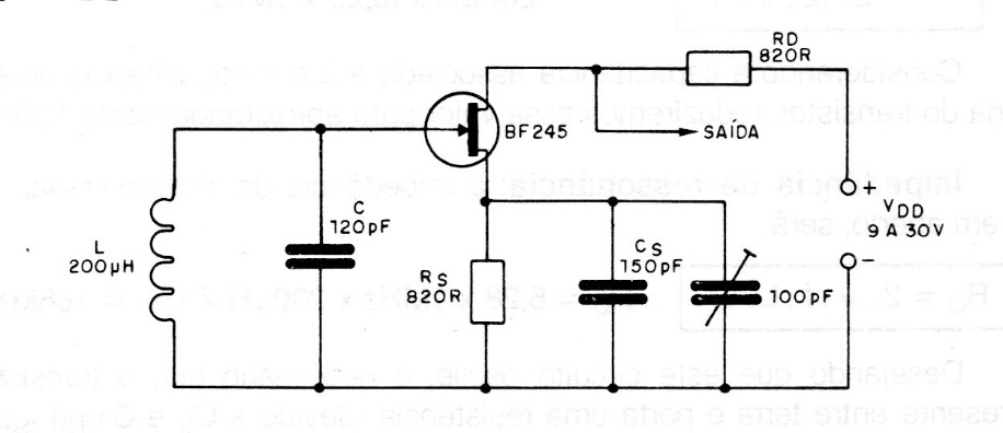
This circuit is from an old technical documentation from Spain. The circuit uses a FET that is still very common today and the frequency depends on the values of the components (L and C). Frequency is 1 MHz.
This circuit is from an old technical documentation from Spain. The circuit uses a FET that is still very common today and the frequency depends on the values of the components (L and C). Frequency is 1 MHz.