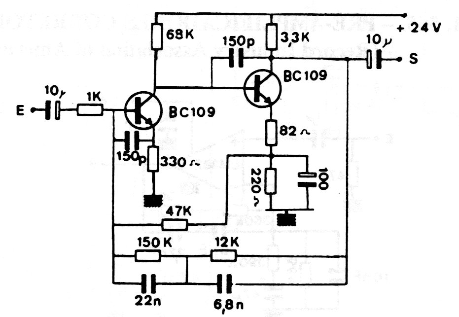
This circuit, from the 90's, is intended for operation with vinyl record players of the time, as it has the necessary RIAA equalization for this type of application. The transistors can be replaced by modern equivalents with minor changes to the polarization resistors, if necessary.




