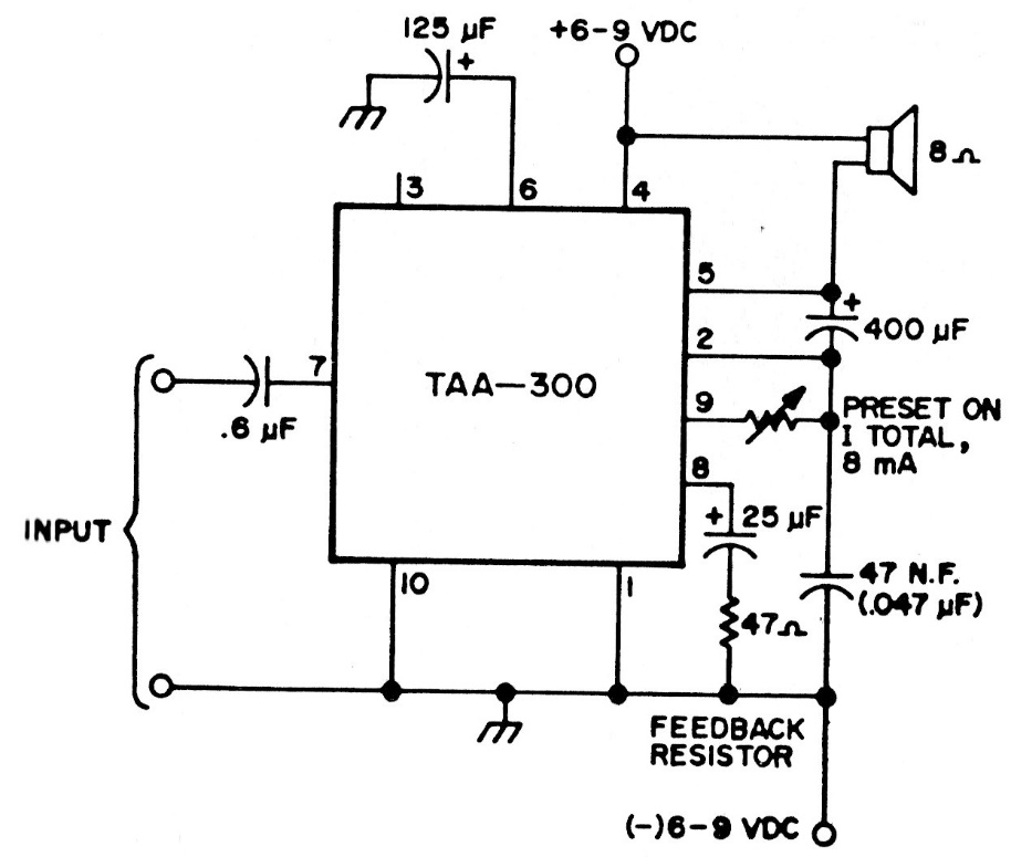
The integrated circuit used in this 70's application is not common today. The circuit consists of a small audio amplifier with few external components.
This interesting circuit was found in an Argentinean Radio Chassis Television magazine from March...
The circuit shown is suggested by Texas Instruments and uses the TL489 as a base, thus providing 5 levels...
This circuit is from a Radio Electronics from October 1970. The circuit uses transistors from that...