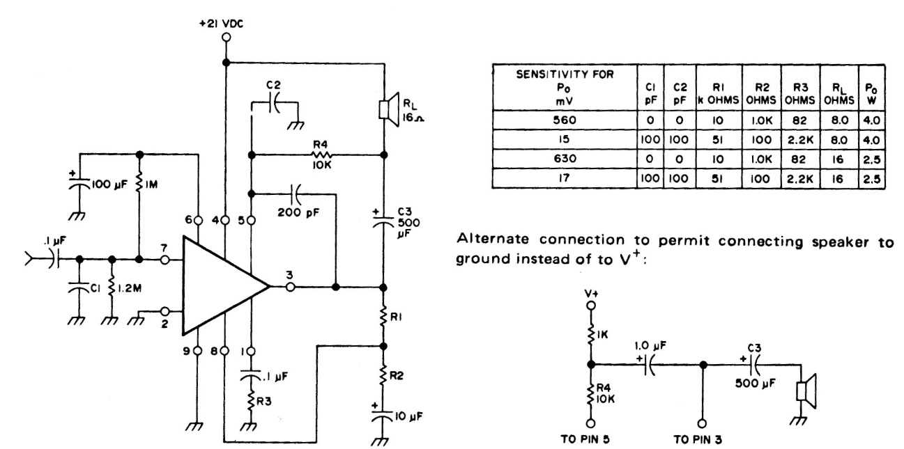
This circuit is from the 70s. The integrated circuit used is not common today and the supply is made with a voltage found in televisions of the time, where it was used.
The 78XX series voltage regulator integrated circuits do not support an input voltage greater than...
This is the complete circuit of a multimeter using a 50 uA instrument with a 2k coil. The circuit...
This circuit came out in a Popular Electronics from December 1995. It is a double T configuration that...