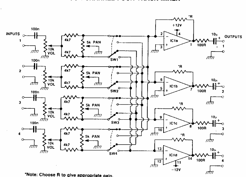
This elaborate mixer is from an Electronics Today International from the 80s. Operational amplifiers are common and resistors with no value determine the gain of the amplification steps.
This simple receiver was found in a book on transistors from 1954. The coil determines the...
This configuration, quite common and found in other sites, is from European documentation from the...
The figure shows a simple way to obtain a negative voltage from a common source configuration. The circuit is...