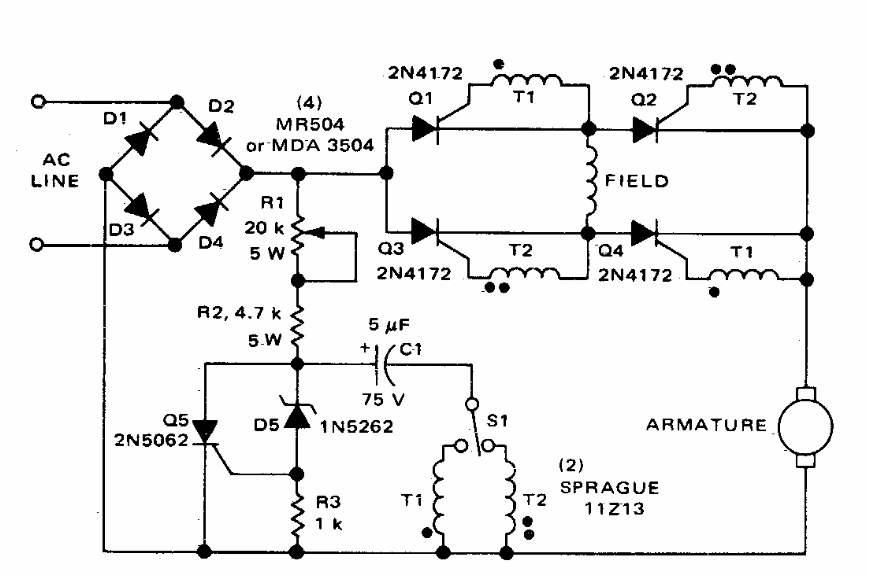
This circuit from a 1970s General Electric publication applies to motors of the series winding type. SCRs support current equivalents and must be equipped with heat sinks.
This simple circuit is from a Radio Electronics from July 1965. The circuit can be assembled with...
Found in the May 1975 issue of Radio Electronics magazine, this circuit turns on after a certain...
We found this circuit in a 1965 General Electric documentation. The circuit generates synchronized...