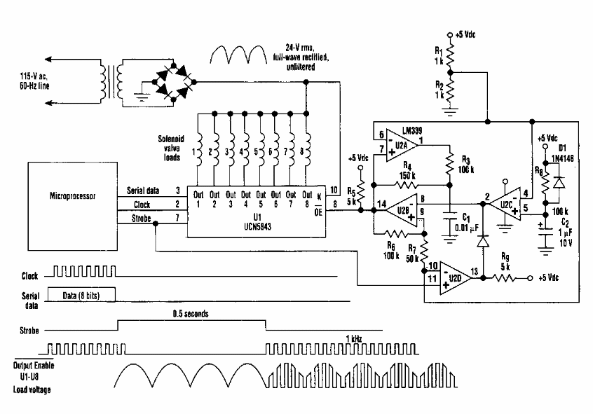
Found in an Electronic Design from the 80's, this circuit uses components from that time. He has outputs for activating 8 solenoids from a microcontroller.
This simple circuit is from a Radio Electronics from July 1965. The circuit can be assembled with...
Found in the May 1975 issue of Radio Electronics magazine, this circuit turns on after a certain...
We found this circuit in a 1965 General Electric documentation. The circuit generates synchronized...