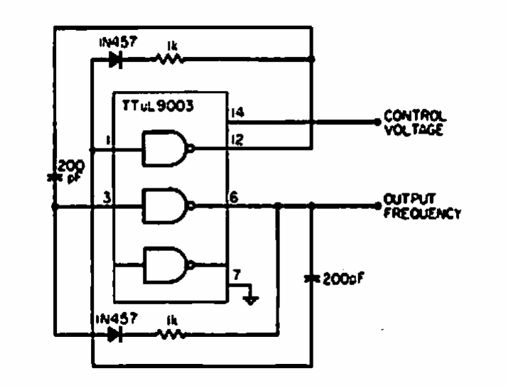
This circuit was found in a 1968 EEE. The circuit makes use of logic gates of the time and can be tested with equivalents from modern families.
DC motors of 6 to 12 volts and currents of up to 2 amps can be controlled with this circuit. The...
This is an amplifier that uses a pickup coil placed next to the telephone set and the listening is done in...
This circuit was found in a French documentation from the 80's. The circuit must be powered by a...