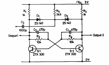
This circuit is from a 1974 Ferranti transistor manual. Transistors are general-purpose types at the time. The maximum switching rate is 100 kHz.

This circuit is from a 1974 Ferranti transistor manual. Transistors are general-purpose types at the time. The maximum switching rate is 100 kHz.
