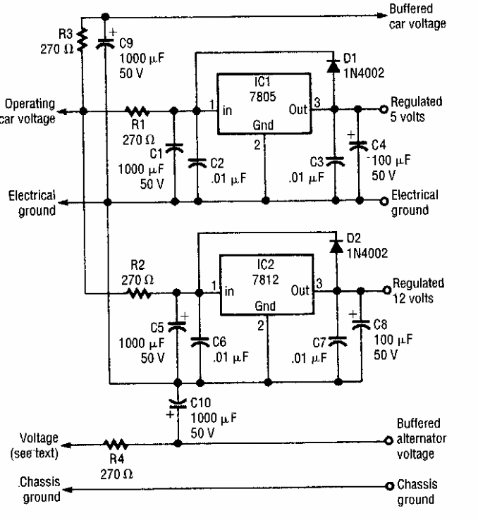
This 1 A power supply was found in an Electronics Now from the 90's. The integrated circuits must be equipped with heat sinks.
This circuit was published in the Radio Electronics magazine of September 1950. The transistors are from...
This transistor amplifier provides 35 W of power to an 8 ohms speaker and must be powered by a 59...
This circuit was suggested by Siliconix in a 1980s publication. The circuit uses components from the time...