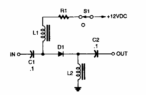
The resistor of this circuit has typical values between 470 ohms and 2k2. We found this circuit in a Popular Electronics from the 90s.

The resistor of this circuit has typical values between 470 ohms and 2k2. We found this circuit in a Popular Electronics from the 90s.
