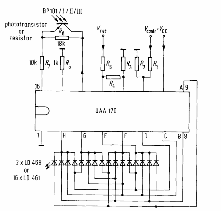
This UAA170 application circuit was taken from Siemens' own integrated circuits manual from 1976. The maximum supply voltage is 18 V.
Found in a magazine 73 for radio amateurs, in a 90's edition, this circuit uses a general-purpose FET...
The selected circuit causes a 12 V lamp with a current of up to 500 mA for the BD135 transistor to flash at...
This is one of the many applications of the 555. We found it in the November 1992 Radio...