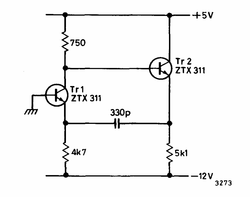
With the indicated components, this circuit oscillates at 1232 Hz. Consider the tolerance of the components. The circuit is from a 1974 Ferranti transistor manual.
This sound effect circuit was obtained from an article in the April 1969 issue of Radio...
Found in a 1990 Electronics Handbook, this circuit causes an LED to flash when the phototransistor receives...
Found in the May 1997 issue of Electronics Now, this circuit produces a variety of sound effects for...