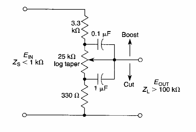
This circuit with losses of 20 dB at 350 Hz was found in older documentation, but it applies to modern preamp and amplifier circuits.
We found this circuit in the Radio Electronics magazine of May 1977. The circuit has the frequency...
This 200 kHz oscillator was found on a 90's EDN. It consumes only 2.8 mW and has CMOS compatible...
This tracker for audio and RF signals was found in old American documentation. Transistors and...