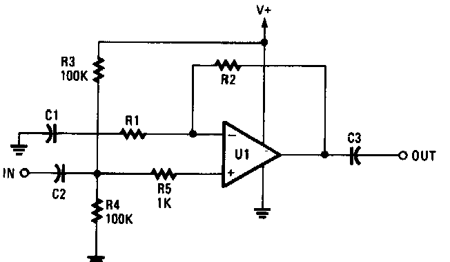
This non-inverter circuit was found in a Radio Electronics. It shows the basic configuration of a single power source operational amplifier.
The circuit shown is from an old European publication. In it we have the way to activate a relay...
We found this circuit in a European publication from the 1990s. Transistors are still common types...
This circuit was found in an American documentation and can be added to common amplifiers of any...