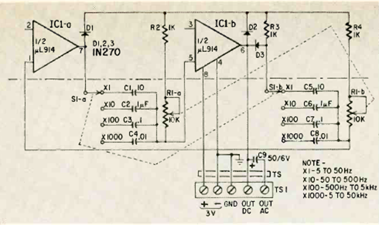
Integrated signal generator appeared in Radio Electronics magazine in January 1968. The integrated circuits are from the time and the generator produces signals from 5 Hz to 50 kHz.
This simple circuit produces pulses delayed in times set by the resistor in series with C on the...
This circuit was published in the Ideas section of Radio Electronics magazine in August 1983. The...
In the figure we have the receiver of a sequential remote control operating at a frequency in the range of...