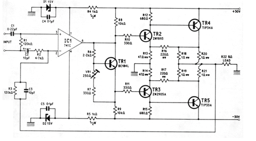
This circuit was obtained from an old publication from 1974 but can still be assembled with some component changes. TR2 can be a BD135, TR1 a BC548 and TR3 a BD136. The source must provide a current of at least 2 A and the output transistors must be equipped with heat radiators. Note that the circuit uses a symmetrical power supply.




