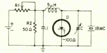
Another one of the many possible oscillators using tunnel diodes. This has its frequency determined by the crystal. R1 can be from 100 to 470 ohms and the power supply is a common 1.5 V cell.

Another one of the many possible oscillators using tunnel diodes. This has its frequency determined by the crystal. R1 can be from 100 to 470 ohms and the power supply is a common 1.5 V cell.
