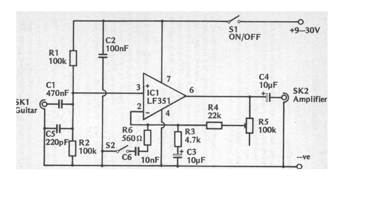
Guitar preamp (CB22146E)
Found in an English publication from 1989, this circuit uses a still common operational amplifier. The power supply does not have to be symmetrical.
Guitar preamp (CB22146E)
Found in an English publication from 1989, this circuit uses a still common operational amplifier. The power supply does not have to be symmetrical.