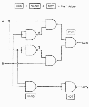
This “Half adder” circuit uses NAND gates from a 7400. The power supply must be 5 V.
We found this circuit, which appears with variations on this site, in a European documentation from the...
This circuit that drives an electromechanical counter of the time was found in Radio Electronics magazine...
Found in a Hands On Electronics of the 80s, this circuit makes use of a gas sensor of the time....