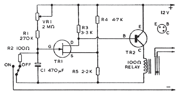
The maximum time interval of this circuit depends on C1. Larger values can be used to get closer to 1 hour. The circuit is from an old English documentation.

The maximum time interval of this circuit depends on C1. Larger values can be used to get closer to 1 hour. The circuit is from an old English documentation.
