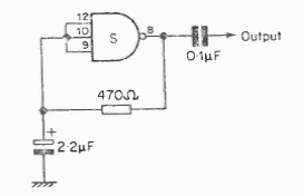
This simple injector provides signals whose harmonics extend into the range of tens of megahertz. The supply must be made with 5 V.

This simple injector provides signals whose harmonics extend into the range of tens of megahertz. The supply must be made with 5 V.
