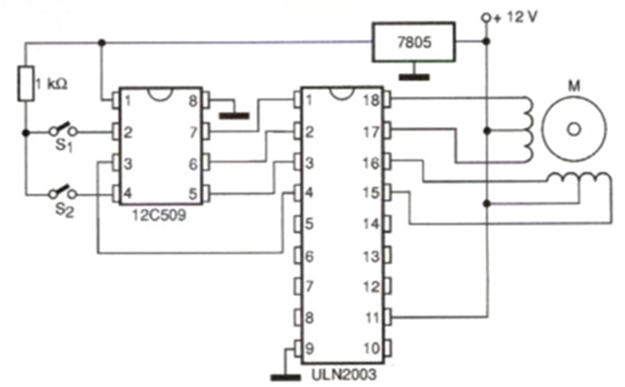
In this application we use an additional input circuit to enable logical command with switches, sensors or other resources. The activation of each motor coil will depend on the combination of levels provided by the input sensors, according to a table like the previous circuit. The integrated circuit used is the ULN2803, which can also control motors of up to 500 mA per winding. Note that we have a 5 V voltage regulator circuit that reduces the 12 V from the motor source to the 5 V necessary to power the 12C509 logic circuit. The unused inputs of this circuit must be grounded through a 10k ohm resistor so that operating instabilities are avoided. The 7805 integrated circuit will not need a heat radiator, given the low current it must provide. The 12C509 is a PIC that must be programmed for this function. More information on how to use this component in this application can be found at: www.beowulf.demon. co.uk/stepper.html and at www.phanderson.com/PIC12C509/overview.html




