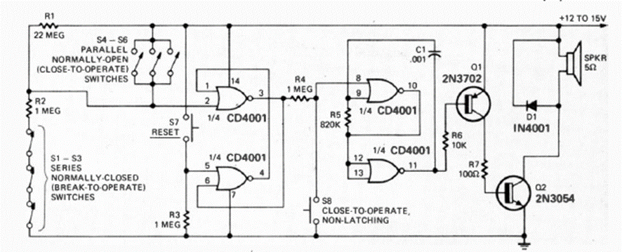
This alarm with NO and NC sensors was found in the January 1975 Radio Electronics magazine. The circuit emits a powerful sound that depends on the output transistor.
This circuit is from an 80's documentation. The transistor can be any general purpose PNP and the...
This powerful pushbutton uses a power MOSFET. We found it in a Popular Electronics magazine from...
This shield circuit for lamps and other charges was found in a Popular Electronics from the 90's....