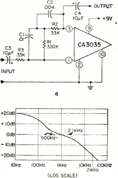
Using an RCA CA3035 integrated circuit, this turntable circuit was found in the February 1970 issue of Radio Electronics magazine. The response curve is given next to the diagram.

Using an RCA CA3035 integrated circuit, this turntable circuit was found in the February 1970 issue of Radio Electronics magazine. The response curve is given next to the diagram.
