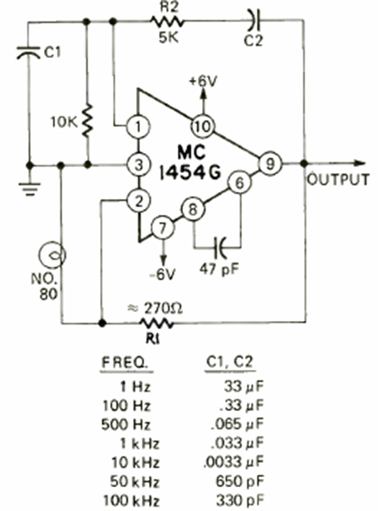
This circuit for frequencies from 1Hz to 100 kHz was found in the June 972 Radio Electronics magazine. C1 and C2 depend on the frequency. The operational IC can be a 741.

This circuit for frequencies from 1Hz to 100 kHz was found in the June 972 Radio Electronics magazine. C1 and C2 depend on the frequency. The operational IC can be a 741.
