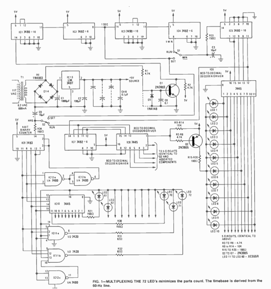
This interesting circuit in which the LED display is circular imitating a common clock appeared in the Radio Electronics magazine of May 1977. The power supply is included.
This amplifier with differential input uses two old op amps but can be implemented with modern op amps....
This signal switching circuit uses currently unusual field effect transistors and an operational one that...
This JFET amplifier was found in documentation from 1958. The circuit has voltage gain of 4 and 10...