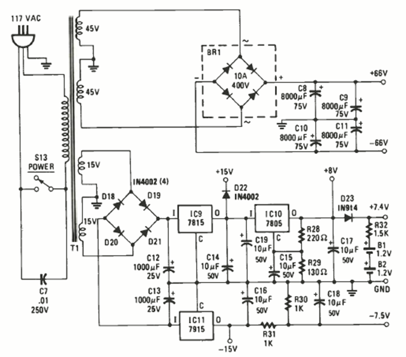
This is the power supply for the amplifier in the previous circuit. The voltage regulators must be equipped with a heat sink and the transformer is high current.
This high-speed circuit was found in 1980s Linear Technology documentation. The circuit makes use...
The transistors of this amplifier for 8-200 headphones may be the BC548 or equivalent to replace...
The frequency of this pulser depends on the capacitor and the characteristics of the relay. The...