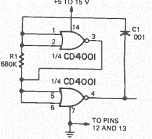
This circuit with increased power output was found in the November 1974 Radio Electronics magazine. The frequency given by C1 and R1 is 1 kHz but can be changed by changing these components.

This circuit with increased power output was found in the November 1974 Radio Electronics magazine. The frequency given by C1 and R1 is 1 kHz but can be changed by changing these components.
