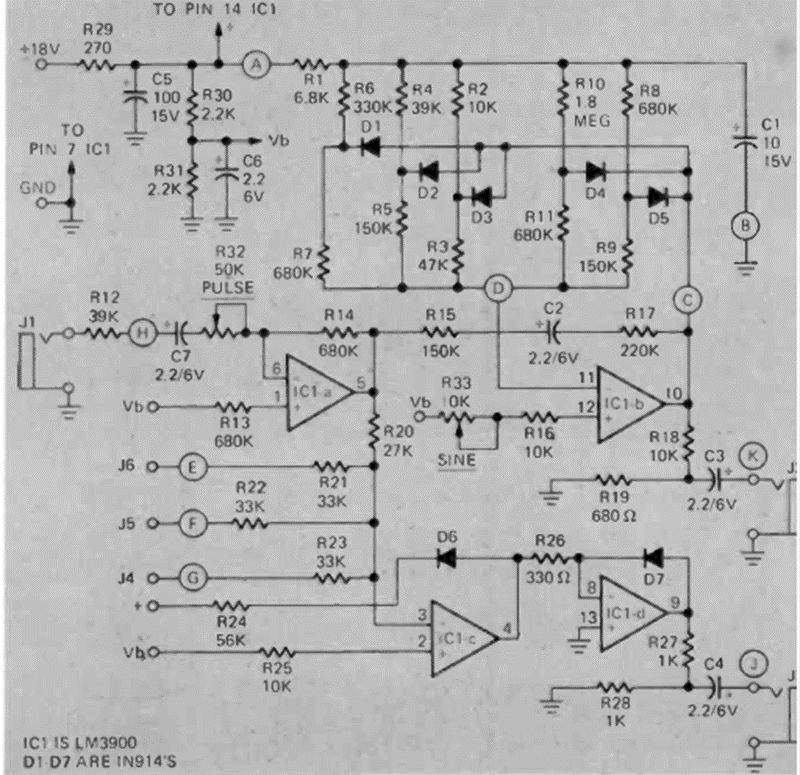
This circuit for music effects and synthesizers was found in a Radio Electronics issue from June 1974. The circuit also consists of a pulse width modulator.
When S1 is closed, the L1 lamp turns on and the L2 lamp turns off. The circuit is powered...
This is yet another version of the light-controlled oscillator that can be found on this website. This...
The A3906 integrated circuit from Allegro MicroSystems (www.allegro.com) consists of a single-step motor...