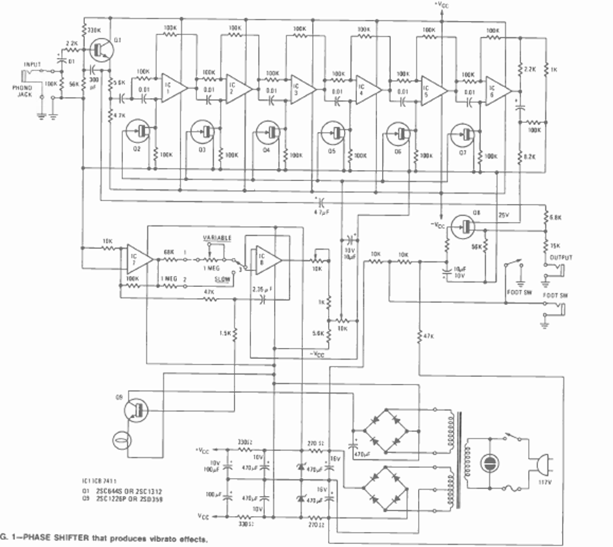
The purpose of this circuit found in the September 1977 issue of Radio Electronics magazine is to produce the vibrato effect. It is a phase shift circuit working with common operating systems.
We found this circuit in a 1973 publication. The circuit lets frequencies below 480 kHz pass...
This power supply was originally indicated for work with electroplating. The transformer is 2 A or...
This simple circuit serves to identify the terminals of a PNP transistor. For NPN transistors, just invert...