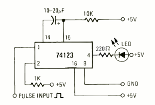
Using a 74123 TTL this circuit was found in the Radio Elecronics magazine of June 1975. The power supply must be 5 V. The capacitor determines the activation time.
This circuit, from a 1973 documentation, can be made with BC549 transistors. The frequency depends on...
Suggested by General Electric in a 1965 documentation, this circuit can use the TIC106 as an SCR....
This circuit is from an old Popular Electronics. The circuit is based on a 555 and a 5V voltage...