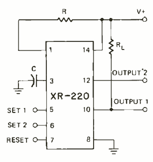
This integrated circuit was intended to compete with the 555 in the 1970s. The circuit shown is the basic version found in an article in Radio Electronics magazine from October 1972. The power supply can be between 3 and 15 V typically.

This integrated circuit was intended to compete with the 555 in the 1970s. The circuit shown is the basic version found in an article in Radio Electronics magazine from October 1972. The power supply can be between 3 and 15 V typically.
