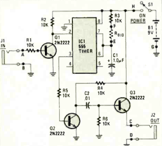
This simple 555 biofeedback circuit was found in the December 1983 issue of Radio Electronics magazine. The circuit is battery powered, and the signal is applied to a high-impedance headphone.

This simple 555 biofeedback circuit was found in the December 1983 issue of Radio Electronics magazine. The circuit is battery powered, and the signal is applied to a high-impedance headphone.
