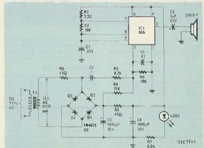
This circuit includes the power supply from the power grid. We found it in Radio Electronics from July 1985. It can still be assembled easily today.
Static charges in objects Dan be detected by this sensitive electroscope. The meter indicates when the...
This simple field strength meter is from a transistor book from the 60's. The transistor is made...
The current drained by this circuit, from a 1976 documentation, is 3 mA and the cut-off frequency is...