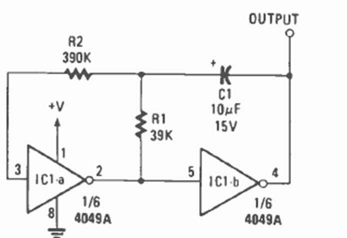
This is one of the many versions of this oscillator that we have on our website. We found it in an article in Radio Electronics magazine from January 1987. The frequency depends on C1.
This unusual audio amplifier configuration was obtained in a 1974 documentation. The PNP...
This circuit was obtained in a 1990 English magazine. The circuit can be assembled with equivalent power...
Found in National Semiconductor documentation, this logarithmic meter is powered with a voltage of only...