We found this circuit in the 1983 edition of the Electronics Experimenter handbook. The circuit uses components that are common today, although many admit equivalents.
This circuit is from a Radio Electronics magazine from May 1989. The source must be symmetrical, and other...
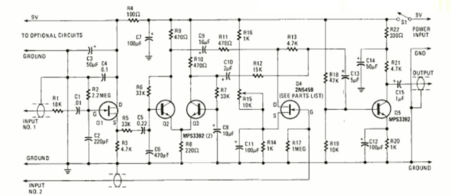
The sophisticated signal tracker/follower with a JFET and integrated circuit 741 was found in a...
This circuit was found in Radio Electronics from the 90s. The transducer is a tweeter and the...