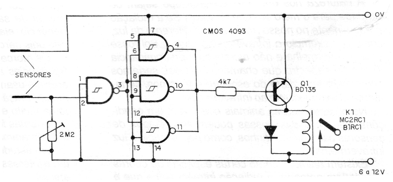
This circuit triggers a relay when the detected humidity falls below a value. The system can be used in an automatic irrigator. The supply voltage must be equal to that of the relay and the sensor consists of two buried metal rods. The circuit should not be powered by a transformerless supply.




