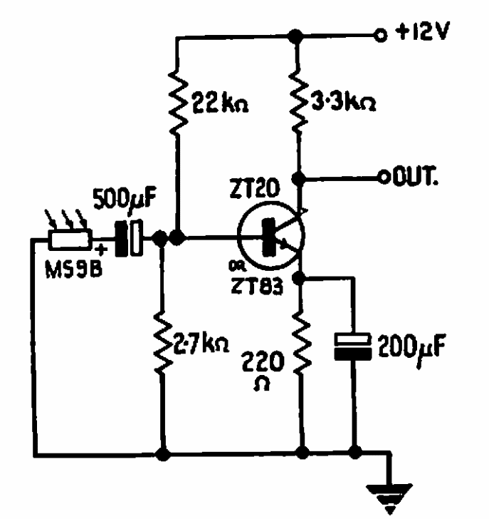
This circuit was originally intended for reading movie soundtracks. The circuit is from 1967 and was found in an English publication. The sensor is semiconductor type.
This variable frequency oscillator (VFO or OFV) was obtained in an old Motorola documentation. The integrated...
This electronic ignition circuit was found in Motorola's Linear Databook of 1990. The components are not...
Found in old documentation, this circuit uses components that are still common on the market. The...