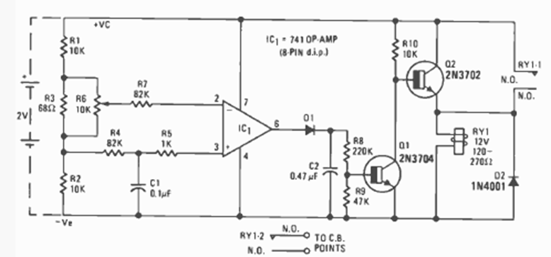
Suitable for alarm applications, this circuit is a modification of the previous one. We found it in the Radio Electronics magazine of December 1976. The circuit is for cars with 12 V batteries.
Suitable for alarm applications, this circuit is a modification of the previous one. We found it in the Radio Electronics magazine of December 1976. The circuit is for cars with 12 V batteries.