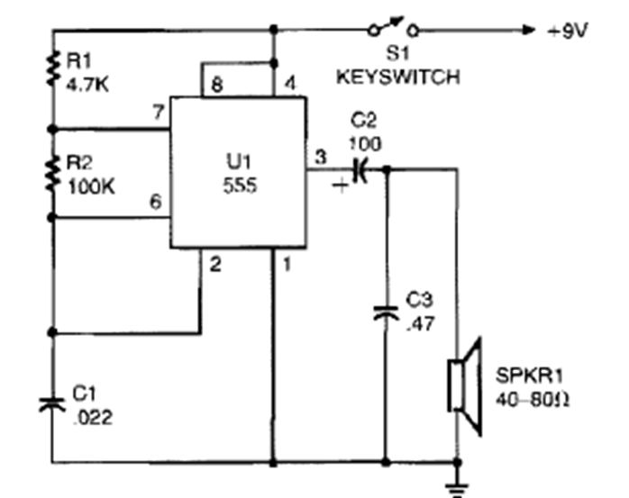
Found in a 1990s Popular Electronics, this circuit produces a tone on a small speaker. The keyer directly controls the power supply.
The resistor values depend on the desired gain and the full scale of the indicator instrument. The power...
This low frequency oscillator with an operational amplifier of type 741 has adjustment of the mark...
This 3 + 3 V symmetrical source circuit uses an old operational amplifier. The circuit is from an...