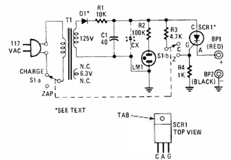
This battery charger was found in the Electronics Experimenter Special Projects of 1983. The circuit uses an SCR as the control element.
This circuit was found in the December 1992 issue of Radio Electronics magazine. The current is a...
This trigger uses two switching transistors that can still be found with some ease. The circuit is from...
This filter is inserted between the interfering device and the interfering device. The coils are...