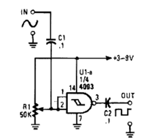
Found in a Popular Electronics from the 90s, this circuit operates up to about 5 MHz input.
Found in a 90s Electronic Design, this circuit operates with Maxim components of the time. The...
This circuit can be used both as a power source and as a battery charger. The resistor R1 serves as...
This circuit uses a unijunction transistor in a different configuration to generate rectangular pulses at...