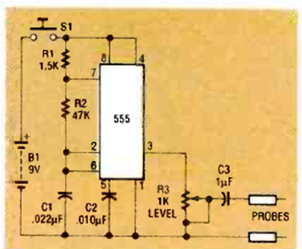
This application of the 555 was found in the November 1992 Radio Electronics magazine. The frequency of the generated signal, which is rectangular, is determined by C1.

This application of the 555 was found in the November 1992 Radio Electronics magazine. The frequency of the generated signal, which is rectangular, is determined by C1.
